GGJ Низкое напряжение интеллектуальная реактивная компенсация мощности

Дом / Продукция / Распределительное устройство с низким напряжением / GGJ Низкое напряжение интеллектуальная реактивная компенсация мощности
GGJ Низкое напряжение интеллектуальная реактивная компенсация мощности

GGJ Низкое напряжение интеллектуальная реактивная компенсация мощности

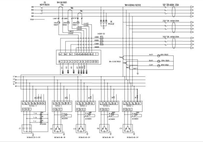
Интеллектуальный низковольтный компенсационный шкаф GGJ разработан для оптимизации коэффициента мощности, повышения энергоэффективности и поддержания стабильности напряжения в низковольтных распределительных системах. Он объединяет в одну систему автоматическую реактивную компенсацию мощности и интеллектуальные технологии мониторинга. Шкаф оснащен конденсаторами, контакторами (или тиристорами), контроллерами и защитными устройствами, что позволяет ему выполнять динамическое или пошаговое управление реактивной мощностью в разнообразных условиях эксплуатации.

 

Преимущества продукта

Улучшенный коэффициент мощности

Повышает эффективность использования мощности через динамическую регулировку уровня реактивной мощности. Оценивает мнимую потребность в энергии, минимизируя избыточные потери в системе.

 

Повышенная энергоэффективность

Снижает энергопотребление, компенсируя реактивные токи. Редуцирует потери в трансформаторах и магистральных линиях при разной нагрузке.

 

Интеллектуальная интеграция управления

Использует микропроцессорные контроллеры для точной-regulation компенсации. Автоматически изменения нагрузки и реагирует оптимальными комбинациями конденсаторов.

 

Стабильность системы

Минимизирует колебания напряжения и улучшает его формирующую. Обеспечивает постоянную производительность оборудования при всех видах нагрузки.

 

Особенности продукта

Модульная конструкция

Включает стандартизированные банки конденсаторов, реакторы, предохранители и контакторы для простого обслуживания. Модули можно обновлять или заменять независимо, не прерывая работу всей системы.

 

Автоматические системы защиты

Обеспечены функции защиты от перегрузки, нестабильного напряжения, гармоник и иных аварийных режимов.

 

Система термоуправления

Естественная вентиляция и принудительное охлаждение с помощью вентиляторов поддерживают оптимальную температуру внутри шкафа. Это позволяет эффективно использовать устройство в закрытых или слабо вентилируемых помещениях.

 

Приложения продукта

Промышленные предприятия

Обеспечивает работу тяжелой промышленной техники и моторных систем, стабилизируя коэффициент мощности. Снижает стоимость электроэнергии и продлевает срок службы оборудования, избегая избыточного нагружения.

 

Коммерческие объекты

Предоставляет эффективное питание для лифтов, систем вентиляции, отопления и освещения (HVAC) в торговых и офисных комплексах.

Ggj/①口/②口/③口/④口/⑤

Интеллектуальная реактивная мощность.
Оцененное напряжение (кВ)
Рейтинг тока (а)
Гармоническая ветвь (3, 5, 7, 11)
J: Статический D: динамический
Расчет и определение требуемого количества емкости для компенсации электродвигателей на месте
До компенсации Для получения требуемого COS FEF 2 километра конденсаторов, необходимых для нагрузки на киловатт
Tanφ1 Cosph1 Cosφ2 = 0,7 Cosphp2 = 0,75 Cosphp2 = 0,8 Cosφ2 = 0,82 Cosφ2 = 0,85 Cosφ2 = 0,87 Cosφ2 = 0,9 Cosφ2 = 0,92 Cosphp2 = 0,95 Cosφ2 = 0,97 Cosφ2 = 1,00
4.9 0.2 3.88 4.02 4.15 4.2 4.28 4.33 4.41 4.47 4.57 4.65 4.9
3.87 0.25 2.85 2.99 3.12 3.17 3.25 3.31 3.39 3.45 3.54 3.62 3.87
3.18 0.3 2.16 2.3 2.43 2.48 2.56 2.61 2.7 2.75 2.85 2.93 3.18
2.68 0.35 1.66 1.79 1.93 1.98 2.06 2.11 2.19 2.25 2.35 2.43 2.68
2.29 0.4 1.27 1.41 1.54 1.59 1.67 1.72 1.81 1.87 1.96 2.04 2.29
2.16 0.42 1.14 1.28 1.41 1.46 1.54 1.59 1.68 1.74 1.83 1.91 2.16
2.04 0.44 1.02 1.16 1.29 134 1.42 1.47 1.56 1.62 1.71 1.79 2.04
1.93 0.46 0.91 1.05 1.18 1.23 1.31 1.36 1.45 1.5 1.6 1.68 1.93
1.83 0.48 0.81 0.95 1.08 1.13 1.21 1.26 1.34 1.4 1.5 1.58 1.83
1.73 0.5 0.71 0.85 0.98 1.03 1.11 1.17 1.25 1.31 1.4 1.48 1.73
1.64 0.52 0.62 0.76 0.89 0.94 1.02 1.08 1.16 1.22 1.31 1.39 1.64
1.56 0.54 0.54 0.68 0.81 0.86 0.94 0.99 1.071 1.13 1.23 1.31 1.56
1.48 0.56 0.46 0.6 0.73 0.78 0.86 0.91 0.92 1.05 1.15 1.23 1.48
1.4 0.58 0.38 0.52 0.65 0.71 0.78 0.84 0.85 0.98 1.081 1.15 1.4
1.33 0.6 0.31 0.45 0.58 0.64 0.71 0.77 0.78 0.91 0.94 1.08 1.33
1.27 0.62 0.25 0.38 0.52 0.57 0.65 0.7 0.72 0.84 0.87 1.01 1.27
1.2 0.64 0.18 0.32 0.45 0.5 0.58 0.63 0.65 0.77 0.81 0.95 1.2
1.14 0.66 0.12 0.26 0.39 0.44 0.85 0.57 0.59 0.71 0.75 0.89 1.14
1.08 0.68 0.06 0.2 0.33 0.38 0.46 0.51 0.54 0.65 0.69 0.83 1.08
1.02 0.7 0.14 0.27 0.32 0.4 0.45 0.48 0.59 0.63 0.77 1.02
0.96 0.72 0.08 0.21 0.27 0.34 0.4 0.42 0.54 0.58 0.71 0.96
0.91 0.74 0.03 0.16 0.21 0.29 0.34 0.37 0.48 0.53 0.66 0.91
0.86 0.76 0.11 0.16 0.24 0.29 0.32 0.43 0.47 0.6 0.86
0.8 0.78 0.05 0.1 0.18 0.24 0.27 0.38 0.42 0.55 0.8
0.75 0.8 0.05 0.13 0.18 0.21 0.32 0.37 0.5 0.75
0.7 0.82 0.08 0.13 0.16 0.27 0.32 0.45 0.7
0.65 0.84 0.03 0.08 0.11 0.22 0.26 0.4 0.65
0.59 0.86 0.03 0.06 0.17 0.21 0.34 0.59
0.84 0.88 0.11 0.16 0.29 0.54
0.48 0.9 0.06 0.1 0.23 0.48
0.48 0.92 0.03 0.18 0.43
0.36 0.94 0.11 0.36
0.29 0.96 0.01 0.29
0.2 0.98 0.2

Форма отзывов